





音圈电机驱动偏摆台BSM采用差分驱动与差分传感设计,通过负载平面的两轴(θx,θy)旋转运动实现高精密指向与调姿,输出扭矩大,控制精度高,适用于超远程大口径光束的快速指向、扫描及跟踪。
技术特点:
· 音圈电机直驱式精密设计
· 嵌入式纳米位移传感器系统
· 超高指向精度、高动态、低噪声
· 高精度柔性铰链设计,光学负载鲁棒性强
· 支持光机对准、跟踪及动态扫描等复杂伺服需求
· 兼容空间及高真空等特殊环境
应用领域:
· 激光雷达
· 光学稳像
· 空间激光通讯
· 激光束稳定
· 超分辨率光学成像
规格参数:
型号 | NP-VCM-UV |
主动轴 | θX,θY |
传感器类型 | 电容式 |
闭环行程 | 10mrad |
指向精度 | ±0.75µrad |
闭环分辨率 | ±0.05µrad |
重复定位精度 | 1.5µrad |
线性度 | 0.5% |
谐振频率 | 15Hz(带直径105mm反射镜) |
自重 | 5kg(不含底座) |
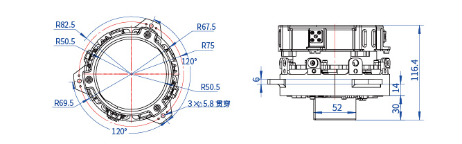
尺寸 | Φ140X116.4mm |

资料下载
Copyright © 2022 阿米精控科技(山东)有限公司 All Rights Reserved. 地址:山东省日照市东港区日照路智慧微电产业园C-2座 京ICP证000000号